Decodeur Marklin K73 et différence avec le K83

Bonjour
après avoir digitalisé toutes mes anciennes locomotives et acheté une MS2 pour les piloter (merci à tous ceux qui m’ont bien aidé depuis 1 an, je me suis régalé de les bricoler), je voudrais essayer de digitaliser quelques aiguillages en voie M et quelques signaux analogiques.
Je prévois de le faire en récupérant un lot de décodeurs K73 pas chers. A priori pas de pb pour les aiguillages selon les notices. Mais est ce bien possible pour des signaux analogiques avec le K73 ?
Par ailleurs j’ai 3 signaux équipés du 72441. Est ce également compatible ou est ce différent ?
Enfin, je me demandais si j’utilisais des décodeurs K83, s’il y avait des différences ou des incompatibilités.

Tout cela sera connecté à mes MS2.
Merci d’avance
Jean

Salut
Pas vu sur Google de lien pour un K73 …
Pour le K74 ci dessous une page du forum qui traite du sujet

D’autres forumeurs pourront sûrement t’aider mieux que moi

Merci
Concernant la compatibilité avec le ralentisseur, j’ai un début de réponse dans la notice du 72441 : a priori, il faut utiliser un K83.
Mais dans mon cas où il s’agit de signaux analogiques du type du schéma A palettes, le schéma est basé sur un pupitre 72720 et non un décodeur, je reste perplexe sur le role du décodeur. Le faut il pour faire le lien avec ma MS2 ?


Finalement je crois avoir trouvé toutes les réponses. Ci joint la notice du K83, qui confirme que je peux me servir du K83 pour les aiguilles M et les signaux analogiques. (plutot que du K73)
Sauf contre indication de l’un d’entre vous, le sujet est clos et cela peut juste servir à d’autres utilisateurs qui se posaient ces questions.
A une prochaine fois.
Jean
Notice 6083 K83.pdf (538,3 Ko)

Bonsoir Teepol
Probablement vous voulez parler de K83 (6083)
Le K83 est bien adapté pour les aiguillages M, les signaux de la même époque ainsi que les rails dételeurs et la grue 7051
Petite remarque: le K83 fonctionne bien en digital non perturbé mais il n’a pas de sécurité. La centrale (MS2 dans votre cas) emet un ordre pour activer la bobine d’un solénoide et un autre pour l’arréter quand vous relachez le bouton. Si ce dernier ordre est perturbé, le solénoide sans fin de course peut rester actif et bruler. Cela n’arrive pas souvent mais peut arriver lors d’un déraillement par exemple.
Les nouveaux décodeurs m83 (60832) coupent l’activation du solenoide quoiqu’il arrive
Amicalement
Jean

Hello

Ok donc K83 et non K73

Je confirme ( si besoin était ) les dires de Jean
Le K83 peut être grillé par un moteur d’aiguillage M qui reste bloqué
cela m’est arrivé sur une entrée
Du coup mes décodeurs ont une alimentation séparée et plus de problème

Cordialement

Merci Jean
Ce forum est vraiment génial. L’expertise de chacun arrive dans des délais imbattables !!!
Effectivement je suis parti pour installer 3 décodeurs 6083, qui me permettront de digitaliser 12 aiguilles et signaux suite à ce que j"écrivais plus haut. Cela me permet de prendre pied sur cet aspect de la digitalisation.
J’ai bien noté le risque de grillage qu’évite le 60832. Je vais voir pour la suite mais à court terme, je trouve sur le marché de l’occasion des 6083 trois fois moins chers que les 60832.
Merci
Jean

Merci Francis
Tu écris
/ Du coup mes décodeurs ont une alimentation séparée et plus de problème /
Ci joint le schéma de branchement du K83


Je ne vois pas quelle alternative j’aurais pour brancher les fils rouge et brun. Peux tu préciser ?
Jean

Avec les 6083, il n’y a pas s’alternative. Par contre, avec les 60832 l’alimentation peut être séparée. Cela a surtout un intérêt avec une MS2 et / ou décodeur éloigné
Jean

Jean a (toujours) raison

Dans mon cas Il se trouve qu’un ami électronicien très doué (entre autres compétences techniques) a modifié mes K83 en pontant ensemble les 4 fiches jaunes qui ne vont plus au rouge que tu cites mais sortent du boîtier à côté ( comme la prise E chez Viessmann) par un fil jaune qui peut donc être relié à un transfo séparé via le power module de chez Viessmann
Pour les aiguillages voie M c’est beaucoup mieux et plus safe j’ai pu le constater

Pour la voie C visiblement cela a moins d’intérêt sauf grand réseau ou puriste

Sinon il existe d’autres marques de décodeurs qui proposent toutes une alim séparée

C’est bien de laisser reposer pour digérer vos conseils.
Je réalise aujourd’hui les conséquences de ce qui vient d’être dit et cela me pose un pb d’alimentation de l’ensemble de mon réseau en voie M.
Actuellement j’ai 17 locos numériques en MFX pilotées par une MS2 (en fait 5 car je trouve que c’est bien pratique d’avoir l’accès rapide aux locos ce qui me permet de faire tourner jusqu’à 7 locos en même temps compte tenu des automatismes mis en place avec des feux analogiques et des rails contact). Ces locos sont donc alimentées par le transfo de la Gleisbox et les cables rouge et brun.
Et j’ai environ 30 aiguilles et environ 10 feux analogiques que j’ai branchés sur le jaune et brun d’un ancien transfo.
Pour info j’ai installé 3 feux avec le boitier 72441 qui me permet de conserver les effets sonores et fumigène des locos à l’arret.
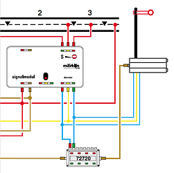
Ci joint le schéma de branchement

Schema 72442 Feux conventionnels.pdf (46,1 Ko)

Dans ce cas également je suis sur le jaune et brun du second transfo, pour les commandes et sur le rouge et brun pour l’alimentation des voies.

Maintenant je voudrais tester l’utilisation de boitiers K83 sur quelques aiguilles et signaux.
Est ce que vous me confirmez que je ne dois plus brancher ces aiguilles et signaux sur le jaune du second transfo ? Ce qui m’ennuie beaucoup si je dois étendre ces K83 à tout mon réseau. Tout devra alors reposer sur le petit transfo de la Gleisbox, ce qui est peut être risqué en termes de charge.
Et question subsidiaire, est-ce que je peux conserver entre les accessoires et le K83 un boitier 72720 pour garder le choix du pupitre manuel ? Et comment je branche le jaune dans ce cas ?
J’ai dessiné un possible cablage qui part vers le second transfo pour le jaune
Qu’en pensez vous ?

Sinon, dois je impérativement passer en 60832 comme me le suggère Jean ?
Pouvez vous me donner d’autres noms de marque fabriquant l’équivalent du 60832 avec alim séparée et qui soient moins chères que Marklin ?
Est ce que l’ami bricoleur pourrait me dire comment modifier mes 4 K83 pour avoir une sortie jaune séparée ?
Jean

Et par ailleurs le schema de branchement standard du k83 me pose question
D’ou vient dans ce cas l’alimentation du jaune ?
Est ce que le décodeur K83 l’alimente a partir du rouge ?

J’affine ma question
Vais je griller le k83 si je branche le jaune sur un transfo different de la Gleisbox ?

Bonjour Teepol
Le k83 comme le m83 sont alimentés par le courant digital fourni par la gleisbox (fils marron et rouge
Le fil jaune du k83 est une sortie d’alimentation à partir d’un pont redresseur situé dans le 83 et lui-même alimenté par le brun et le rouge (Digital)
Une source externe (courant alternatif par exemple - de 16VAC - peut avoir l’un de ses pôles raccordé au brun du digital (alimentation standard préconisée par Märklin pour les passages à niveau.
Alimenter le point milieu des moteurs d’aiguillages avec l’autre pole du transformateur pose un problème: sur chaque alternance négative, le transistor de sortie du k83 sera polarisé en inverse ce qui n’est pas vraiment prévu donc déconseillé.

Quelle autre solution? Une source de courant continu flottante SUTOUT PAS CELLE DE LA GLEISBOX, utilisée pourrait convenir (à vérifier et sans garantie) en respectant la polarité de la sortie normalde jaune du k83 (est-ce un plus ou un moins? Je ne me souviens plus) et en raccordant l’autre pole de cette alim courant continu au brun de la Gleibox.
Bien sur, les sorties Jaunes du k83 ne doivent pas être raccordées à quoique ce soit.
Amicalement
Jean

K83 Ouvert
image

Bonsoir

j’ai testé mes 3 boitiers K83 sur des aiguillages en respectant les branchements indiqués par la notice.
Pas de pb, cela fonctionne très bien. La MS2 détecte les aiguilles automatiquement sous MFX lors du branchement et assure ensuite la commande à la place des boitiers 72720.
En ce qui me concerne cela ne répond pas à mon besoin immédiat car j’ai une trentaine d’aiguilles et c’est plus pratique de les commander à partir des boitiers qu’à partir de MS2.
Cela sera différent, le jour où j’aurai mis en place l’application Rocrail en lien avec les MS2.
Mais a ce stade, cela me permet de progresser dans la connaissance.
Une question néanmoins Je ne comprends pas l’adressage des K83.
Ci joint le tableau des codes

Voilà par ailleurs les codes de mes 3 K83

1er K83 : switch 6 - 7 signifie groupe 5 (1) : 1…4 et quand je vais commander les aiguilles, cela concerne les numéros 5= 65 à 68
2eme K83 switch 1 - 3 - 7 signifie 5(2) : 5 …8 et quand je vais commander les aiguilles, cela concerne les numéros 5= 69 à 72
3eme K83 switch 2 - 3 - 7 signifie 5(3) : 9 …12 et quand je vais commander les aiguilles, cela concerne les numéros 5= 73 à 76
Je ne comprends pas les liens. J’ai trouvé les commandes sur les K83 en tâtonnant
Comment puis je faire pour les prochains K83 pour retrouver les bonnes adresses ?

Merci par avance
Jean

Il y a 16 numéros par groupe (un groupe = 4 décodeurs de 4 accessoires)

Donc 16 fois 4 + 1 = adresse 65 pour le 1er du 5ème groupe
J’ai noté la plage au stylo par exemple 65 - 68 sur le boîtier plastique correspondant du K83

Est ce la question ?

Merci Francis
Effectivement tu as raison il faut raisonner en base 16.
Si j’applique donc ton explication et si mes switchs sont 2 3 5 et 8 par exemple,
on obtient du tableau la réponse 7(4) de 13 à 16
ce qu veut dire les positions
16 x 6 / car il faut prendre le groupe précédent à 7, soit 6 / + 13 à 16, soit aiguilles 109 à 112

Bravo et merci
Jean

Exactement
ci dessous le lien pour un petit outil qui t’evite de calculer ou permet de vérifier

https://www.nederlof.net/marklin/?fbclid=IwY2xjawNa_61leHRuA2FlbQIxMQABHsYcApAXIBrENi1OgO3NEmizXAfcgq92CG6JOEnVmbf4w1_n7KKcHIGyHGQC_aem_nORIlPszJJ9xXYxUDN_vJA

1 « J'aime »